PIJON - Sensor Bracket
Photoelectric-Straight Type – VC


Compatible Sensor:
OMRON/E3Z、KEYENCE/PZ、PanasonicSUNX/CX
Azbil/HPB、OptexFA/Z
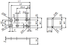
| Part No. | L1 | L2 | P | H1 | H2 | W1 | W2 | W3 | Corresponding PIJON |
|---|---|---|---|---|---|---|---|---|---|
| VC03 | 50.5 | 46.5 | 3.4 | 8 | 9 | 22 | 16 | 12 | PS523、PE523、PC523、PF523、PG523、 PJ523 |
| VC04 | 50.5 | 46.5 | 4.5 | 10 | 12 | 22 | 16 | 12 | PE524、PC524、PF524、PK524、PN524、 PG524、PJ524、PE534、PC534、PF534、 PG534、PJ534、SQ08-534、SQ09-534、 SQ10-534、SQ12-534、SQ13-534 |
| VC05 | 54.5 | 48.5 | 5.5 | 10 | 15 | 25 | 19 | 15 | PL525、PK525、PN525、PK535、PN535、 SQ15-535、SQ16-535 |




















