PIJON - Sensor Bracket
Fiber-L type – VB


Compatible Sensor:
Screw-Type Fiber Sensors - M3, M4, and M6
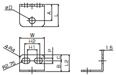
| Part No. | φD | L | L2 | A | B | C | P | H1 | H2 | W | Corresponding PIJON |
|---|---|---|---|---|---|---|---|---|---|---|---|
| VB03-M3 | φ3.1 | 15 | 10 | 10 | 6 | 4 | 3.4 | 8 | 9 | 15 | PS523、PE523、PC523、PF523、PG523、 PJ523 |
| VB03-M4 | φ4.1 | 16 | 10 | 11 | 6 | ||||||
| VB03-M6 | φ6.1 | 18 | 12 | 12 | 8 | ||||||
| VB04-M3 | φ3.1 | 16 | 12 | 11 | 7 | 5 | 4.5 | 10 | 12 | 20 | PE524、PC524、PF524、PK524、PN524、 PG524、PJ524、PE534、PC534、PF534、 PG534、PJ534、SQ08-534、SQ09-534、 SQ10-534、SQ12-534、SQ13-534 |
| VB04-M4 | φ4.1 | 17 | 13 | 12 | 8 | ||||||
| VB04-M6 | φ6.1 | 19 | 14 | 13 | 9 | ||||||
| VB05-M3 | φ3.1 | 19 | 15 | 14 | 9 | 6 | 5.5 | 10 | 15 | 25 | PL525、PK525、PN525、PK535、PN535、 SQ15-535、SQ16-535 |
| VB05-M4 | φ4.1 | 20 | 16 | 15 | 10 | ||||||
| VB05-M6 | φ6.1 | 22 | 17 | 16 | 11 |




















