サイトマップ
資料請求
JIS規格に準拠
産業機械に使用される標準ジョイント
形状別寸法図
形状別寸法図
形状別寸法図
形状別寸法図
形状別寸法図
三好オリジナル多目的ジョイントシステムパーツ
パイジョン一覧
会社案内
MIYOSHIの強み
ホーム
製品紹介
パイジョン一覧
マルパイジョン(サイズ別)
標準タイプ
ユニバーサルジョイント
分解・組立方法
ジョイントスライドの
組み合わせ表
短納期軸付
ジョイントシリーズ
関連製品
ミニチュアジョイント
ブーツ
マルパイジョン
サイズ別寸法図
カクパイジョン
ステンレスパイジョン
カク・マル/パイプシャフト
可変機能シリーズ
センサーブラケット
パイジョンとは
パイジョン - マルパイジョン(サイズ別)
異径穴タイプ
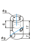
CS(φ6・φ9)シリーズ
(締付用ステンレスボルトM3・M4)
左右対称の場合、左締め・右締めをペアーで使用いただくと作業が楽です
CS200
/
CS201
クロス90°穴
直角軸の取付に
φ15×30
CS204 / CS204M
片方ボス
他の部品と自由に組み合せ
品 番
L
CS204
14
CS204M
25
φ15×19+L
CS209
垂直、水平穴
フレームの支えや
T字形取付けに
φ15×24
CS254
平行2軸穴
軸や204の取付けに
φ15×29
CS401
二ツ割りT字形
フレームを分解せずに
はさみ込み(後付け可)
24×20×16
CS402
二ツ割り十字形
フレームを分解せずに
はさみ込み(後付け可)
24×20×16
(
線はパイプ穴を示す)
※300、400番タイプは組み付け時に端面にある合マークを必ず合わせてください
※品番をクリックすると、CADデータのダウンロードページへ移動できます。